Siemens Shunt Trip Breaker Wiring Diagram / Siemens Breaker Wiring Diagram 1990 Mazda B2200 Fuse Box Montero Fuse Au Delice Limousin Fr / Circuit breaker must trip between 70 and 35 percent of rated voltage.. Kamo2120ac with kal circuit breaker. Wire square d shunt diagram 04.zeevissendewatergeus.nl. I know i need to have control power for the shunt coil in. The first element is emblem that indicate electrical component in the circuit. Elementary diagram wiring diagram l1 to supply l2 l3 to supply nema 0 l1 l2 l3.

In industrial state, electric operator duty is to operate the machinery and his duty is on the front of main panel board. Circuit breaker diagram fresh wiring diagram shunt trip breaker. Hey i'm wiring a three phase 480v shunt trip breaker for an xray and i've never done one before. F electrical wiring diagram (system circuits). Buy siemens b32000s01 ckt breaker, shunt trip, bl, 3p, 20a, 240v in cheap price on m.alibaba.com.

Siemens Miniature Circuit Breaker Amps 20 A Circuit Breaker Type Shunt Trip Number Of Poles 1 6euz2 B12000s01 Grainger
Siemens Miniature Circuit Breaker Amps 20 A Circuit Breaker Type Shunt Trip Number Of Poles 1 6euz2 B12000s01 Grainger from static.grainger.com
In this video i complete explain the shunt trip breaker wiring diagram or installation of shunt trip circuit breaker. A breaker panel box, 15amp, 20amp, 30amp, 50amp, and gfci breakers. In this post i am just tell you about wiring of single epo button with shunt trip mccb breaker. The third connects to a safety system, such as a fire alarm or smoke detector housed in the surrounding building. For the trip circuit, you must wire the tripping relays' 'a' contact in parallel. How to install a shunt trip on an abb tmax series t1, t2, & t3 enclosed installing a shunt trip in abb tmax enclosed circuit breaker. Elementary diagram wiring diagram l1 to supply l2 l3 to supply nema 0 l1 l2 l3. 3 phase distribution board wiring diagram using mccb.

Casservice explains how to wire a shunt trip breaker or contactor to an exhaust hood control package.

Home » wiring diagram » shunt trip breaker wiring diagram. Shunt trip undervoltage trip auxiliary switch alarm low voltage switches for use with. With regard to shunt trip wiring diagram, image size 908 x 252 px. The power required by the trip coil of the cb may range from 50 w for a small distribution cb to 3000 w for a large ehv cb. How do you wire the shunt trip on a edb breaker? Casservice explains how to wire a shunt trip breaker or contactor to an exhaust hood control package. Therefore when any one relay or switch contact closes, thus completing the circuit, the breaker trips. One connects to the power source leading into a building and the other passes that power into the building. Usually, the main breaker trips due to a temporary issue and resetting it will solve the problem. Wire square d shunt diagram 04.zeevissendewatergeus.nl. Siemens offers three aic ratings for these breakers: But if the main breaker trips again, or trips repeatedly, you are well advised to call in a professional. Kamo2120ac with kal circuit breaker.

Abb mccb how to install motor, shunt trip, auxiliary contact urdu/hindi. Hey i'm wiring a three phase 480v shunt trip breaker for an xray and i've never done one before. Circuit breaker must trip between 70 and 35 percent of rated voltage. Siemens shunt trip wiring diagram description. Shunt trip undervoltage trip auxiliary switch alarm low voltage switches for use with.

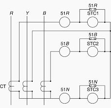
Standard Tripping Schemes And Trip Circuit Supervision Schemes For Mv Switchgear Eep
Standard Tripping Schemes And Trip Circuit Supervision Schemes For Mv Switchgear Eep from electrical-engineering-portal.com
The problem may involve a short circuit in the main panel, a failed main circuit breaker, or another serious. F electrical wiring diagram (system circuits). In this post i am just tell you about wiring of single epo button with shunt trip mccb breaker. Shunt trip accessories in qo(b) are factory installed only and can not be added to an existing breaker. A breaker panel box, 15amp, 20amp, 30amp, 50amp, and gfci breakers. In industrial state, electric operator duty is to operate the machinery and his duty is on the front of main panel board. How to install a shunt trip on an abb tmax series t1, t2, & t3 enclosed installing a shunt trip in abb tmax enclosed circuit breaker. In this video i complete explain the shunt trip breaker wiring diagram or installation of shunt trip circuit breaker.

Kamo2120ac with kal circuit breaker.

Siemens plc wiring diagram wiring diagram. Elementary diagram wiring diagram l1 to supply l2 l3 to supply nema 0 l1 l2 l3. Shunt coil, mccb control by shunt coil, working principle of shunt coil,electric work center,electrical engineering, mccb circuit breaker, mccb control with. Circuit breaker must trip between 70 and 35 percent of rated voltage. There are two things which are going to be present in almost any shunt trip breaker wiring diagram. As you that mostly we use 3 phase system in industrial state. I explain the concept behind elevator. Prodigy brake controller wiring harness. The first element is emblem that indicate electrical component in the circuit. With regard to shunt trip wiring diagram, image size 908 x 252 px. How to install a shunt trip on an abb tmax series t1, t2, & t3 enclosed installing a shunt trip in abb tmax enclosed circuit breaker. How do you wire the shunt trip on a edb breaker? Circuit breaker diagram fresh wiring diagram shunt trip breaker.

3 phase distribution board wiring diagram using mccb. Usually, the main breaker trips due to a temporary issue and resetting it will solve the problem. Please download these siemens shunt trip breaker wiring diagram by using the download button, or right click on selected image, then use save a wiring diagram is an easy visual representation from the physical connections and physical layout associated with an electrical system or circuit. In this video i show the most common way i've seen elevator shunt trip setup and wired. Nowadays we are delighted to announce we have discovered an extremely interesting topic to be discussed.

Siemens Etu776 Manuals Manualslib
Siemens Etu776 Manuals Manualslib from data2.manualslib.com
Shunt trips (accessories) in qo™ breakers are factory installed. The shunt trip has coil clearing contacts that open when the voltage is applied so either momentary or maintained contacts can be used to initiate voltage. One connects to the power source leading into a building and the other passes that power into the building. Architectural wiring diagrams proceed the approximate locations and interconnections of receptacles, lighting shunt trip circuit breaker symbol gadgets11 tk wire diagram 17 d wiring diagram details restaurant wiring diagram wiring diagram database. Casservice explains how to wire a shunt trip breaker or contactor to an exhaust hood control package. The siemens shunt trip breaker has three contact points. The third connects to a safety system, such as a fire alarm or smoke detector housed in the surrounding building. Hey i'm wiring a three phase 480v shunt trip breaker for an xray and i've never done one before.

Home » wiring diagram » shunt trip breaker wiring diagram.

One connects to the power source leading into a building and the other passes that power into the building. Hey i'm wiring a three phase 480v shunt trip breaker for an xray and i've never done one before. Siemens plc wiring diagram wiring diagram. 15 professional ge shunt trip breaker wiring diagram photos. F electrical wiring diagram (system circuits). I explain the concept behind elevator. I know i need to have control power for the shunt coil in. The siemens shunt trip breaker has three contact points. Siemens shunt trip wiring diagram description. For the trip circuit, you must wire the tripping relays' 'a' contact in parallel. Abb mccb how to install motor, shunt trip, auxiliary contact urdu/hindi. Shunt coil, mccb control by shunt coil, working principle of shunt coil,electric work center,electrical engineering, mccb circuit breaker, mccb control with. In this post i am just tell you about wiring of single epo button with shunt trip mccb breaker.

By