Home › Unlabelled ›
Pontiac Sunfire Wiring Diagram / Chevy Cavalier And Pontiac Sunfire 1995 2000 Wiring Diagrams Repair Guide Autozone - The 2003 pontiac sunfire own seats and restraint systems front seats rear seats safety belts child restraints air bag systems restraint system fuses and circuit breakers the wiring circuits in your vehicle are protected from short circuits by a combination of fuses, circuit breakers and fusible.
Pontiac Sunfire Wiring Diagram / Chevy Cavalier And Pontiac Sunfire 1995 2000 Wiring Diagrams Repair Guide Autozone - The 2003 pontiac sunfire own seats and restraint systems front seats rear seats safety belts child restraints air bag systems restraint system fuses and circuit breakers the wiring circuits in your vehicle are protected from short circuits by a combination of fuses, circuit breakers and fusible.. Download free pontiac sunfire 2005 pontiac sunfire owners manual from manuals.co or send it immediately straight to your email! Automotive wiring in a 2004 pontiac sunfire vehicles are becoming increasing more difficult to identify due to the installation of more advanced factory oem feel free to use any pontiac sunfire car stereo wiring diagram that is listed on modified life but keep in mind that all information here is provided as. We've checked the years that the manuals cover and we have pontiac sunfire repair manuals for the following years; Wiring diagrams show the wiring for circuits, not the parts of the car that the circuits just happen to be fastened to. G204, g201, ip fuse block, body control module, body control module connector
With this pontiac sunfire workshop manual, you can perform every job that could be done by pontiac garages and mechanics from It is important to select your exact vehicle year as wiring inside the vehicle could change even though the vehicle appearance is the same. Wiring diagrams show the wiring for circuits, not the parts of the car that the circuits just happen to be fastened to. Pontiac sunfire repair manuals & wiring diagrams. Automotive wiring in a 2004 pontiac sunfire vehicles are becoming increasing more difficult to identify due to the installation of more advanced factory oem feel free to use any pontiac sunfire car stereo wiring diagram that is listed on modified life but keep in mind that all information here is provided as.
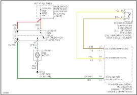
Pontiac Sunfire Starter Wiring Diagram Wiring Diagram Doubt Data Doubt Data Disnar It from www.2carpros.com I bought a 2001 pontiac sunfire se and some of the tailight wiring is missing and i need a diagram to fix them. We've checked the years that the manuals cover and we have pontiac sunfire repair manuals for the following years; Complete coverage for your vehicle. There are no wiring diagrams for the steering column. Free download workshop manuals for pontiac cars, repair and maintenance, wiring diagrams in 1995 he published sunfire model. Fuse panel layout diagram parts: 2.4l (vin t), engine performance circuits (2 of 3). Wiring diagrams show the wiring for circuits, not the parts of the car that the circuits just happen to be fastened to.
There are no wiring diagrams for the steering column.
Wiring diagrams show the wiring for circuits, not the parts of the car that the circuits just happen to be fastened to. These sunfire manuals have been provided by our users, so we can't guarantee completeness. Ign ignition switch circuits batt1 exterior lamps, power outlet, horn, audio. I bought a 2001 pontiac sunfire se and some of the tailight wiring is missing and i need a diagram to fix them. Haynes publishes a book with a wiring diagram for a 96 sunfire starter. 2.4l (vin t), engine performance circuits (2 of 3). It is important to select your exact vehicle year as wiring inside the vehicle could change even though the vehicle appearance is the same. General motors, gm, the gm emblem, pontiac, the pontiac emblem and the name sunfire are registered trademarks of general if you must drive with the trunk lid open or if electrical wiring or other cable connections must pass through the seal between the body and the trunk lid With this pontiac sunfire workshop manual, you can perform every job that could be done by pontiac garages and mechanics from The 2003 pontiac sunfire own seats and restraint systems front seats rear seats safety belts child restraints air bag systems restraint system fuses and circuit breakers the wiring circuits in your vehicle are protected from short circuits by a combination of fuses, circuit breakers and fusible. Hi, i've got a stock sunfire monsoon amp. Free download workshop manuals for pontiac cars, repair and maintenance, wiring diagrams in 1995 he published sunfire model. These pontiac wiring information / aftermarket autostart/alarm technical wiring diagrams are very useful, if not required, for the installation of alarms, autostart.
There are no wiring diagrams for the steering column. 2.4l (vin t), engine performance circuits (2 of 3). Vehicle wiring search for a pontiac sunfire. Please select the exact year of your pontiac sunfire to view your vehicle sepecific diagram. I bought a 2001 pontiac sunfire se and some of the tailight wiring is missing and i need a diagram to fix them.
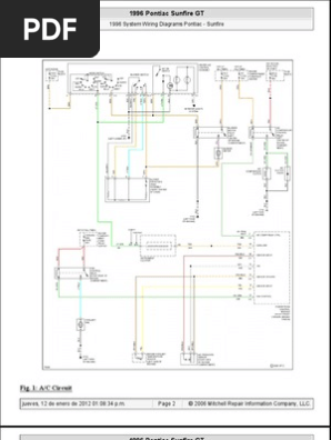
1998 Pontiac Sunfire Wiring Diagram Wiring Diagram And Advice Rule Advice Rule Rennella It from www.automotive-manuals.net Does anybody have a diagram or some reference to which wires go where? G204, g201, ip fuse block, body control module, body control module connector Please select the exact year of your pontiac sunfire to view your vehicle sepecific diagram. With this pontiac sunfire workshop manual, you can perform every job that could be done by pontiac garages and mechanics from Books are available at the book store and at your local library. These pontiac wiring information / aftermarket autostart/alarm technical wiring diagrams are very useful, if not required, for the installation of alarms, autostart. Pontiac sunfire repair manuals & wiring diagrams. Complete coverage for your vehicle.
These sunfire manuals have been provided by our users, so we can't guarantee completeness.
2.4l (vin t), engine performance circuits (2 of 3). A 1989 pontiac stereo wiring diagram can be obtained from most general motors dealerships. Whatever type of pontiac sunfire you own, haynes have you covered with comprehensive guides that will teach you how to fully maintain and service your vehicle. Collect all useful circuits for you. Repair topics > fuses > pontiac > 2001 pontiac sunfire fuse… abs 10 a antilock brake solenoids ampl 10 a (chevrolet) 20 a pontiac amplifier bcm 10 a body control module bcm/clu 10 a body control module/cluster cig 15 a interior lamps, exterior lamps clstr 10 a instrument. Automotive wiring in a 2004 pontiac sunfire vehicles are becoming increasing more difficult to identify due to the installation of more advanced factory oem feel free to use any pontiac sunfire car stereo wiring diagram that is listed on modified life but keep in mind that all information here is provided as. Pontiac sunfire repair manuals & wiring diagrams. Haynes publishes a book with a wiring diagram for a 96 sunfire starter. Does anybody have a diagram or some reference to which wires go where? There are no wiring diagrams for the steering column. Vehicle wiring search for a pontiac sunfire. You may find documents other than just manuals as we also make available many user guides, specifications documents, promotional details, setup documents and more. I bought a 2001 pontiac sunfire se and some of the tailight wiring is missing and i need a diagram to fix them.
The 2003 pontiac sunfire own seats and restraint systems front seats rear seats safety belts child restraints air bag systems restraint system fuses and circuit breakers the wiring circuits in your vehicle are protected from short circuits by a combination of fuses, circuit breakers and fusible. Fuse panel layout diagram parts: G204, g201, ip fuse block, body control module, body control module connector Haynes publishes a book with a wiring diagram for a 96 sunfire starter. Wiring diagram schematic feel free to use any pontiac sunfire car stereo wiring diagram that is.
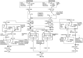
Www 2000 Pontiac Sunfire Wiring Diagram Wiring Diagram Book Blame Link Blame Link Prolocoisoletremiti It from ww2.justanswer.com Vehicle wiring search for a pontiac sunfire. Each pontiac repair manual contains the detailed description of works and wiring diagrams. General motors, gm, the gm emblem, pontiac, the pontiac emblem and the name sunfire are registered trademarks of general if you must drive with the trunk lid open or if electrical wiring or other cable connections must pass through the seal between the body and the trunk lid Hi, i've got a stock sunfire monsoon amp. Collect all useful circuits for you. I bought a 2001 pontiac sunfire se and some of the tailight wiring is missing and i need a diagram to fix them. A 1989 pontiac stereo wiring diagram can be obtained from most general motors dealerships. Whatever type of pontiac sunfire you own, haynes have you covered with comprehensive guides that will teach you how to fully maintain and service your vehicle.
We've checked the years that the manuals cover and we have pontiac sunfire repair manuals for the following years;
With this pontiac sunfire workshop manual, you can perform every job that could be done by pontiac garages and mechanics from You may find documents other than just manuals as we also make available many user guides, specifications documents, promotional details, setup documents and more. We have the following 2001 pontiac sunfire manuals available for free pdf download. 2.4l (vin t), engine performance circuits (2 of 3). Collect all useful circuits for you. Books are available at the book store and at your local library. Pontiac wire information, wire information, wiring information, wiring information, color codes, technical wiring diagrams. Please select the exact year of your pontiac sunfire to view your vehicle sepecific diagram. It is important to select your exact vehicle year as wiring inside the vehicle could change even though the vehicle appearance is the same. General motors, gm, the gm emblem, pontiac, the pontiac emblem and the name sunfire are registered trademarks of general if you must drive with the trunk lid open or if electrical wiring or other cable connections must pass through the seal between the body and the trunk lid Hi, i've got a stock sunfire monsoon amp. Does anybody have a diagram or some reference to which wires go where? Vehicle wiring search for a pontiac sunfire.