2005 Chrysler Pacifica Engine Diagram / 2005 Chrysler Pacifica Antenna Mopar Parts Giant / 2005 pacifica automobile pdf manual download.. Each electric drive motor has a primary function. The engines were essentially stopgaps; The 4.0 line closed in 2010. The pacifica is a thoughtfully designed, comfortable family van, and its eager driving dynamics are the icing on the cake. You may find documents other than just manuals as we also make available many user guides, specifications documents, promotional details, setup documents and more.

Thank you for visiting onlymanuals.com. 2005 pacifica automobile pdf manual download. Download free chrysler pacifica 2005 chrysler pacifica owners manual from manuals.co or send it immediately straight to your email! One motor is used for charging the hv battery and starting the gas engine while the other is used solely for electric drive. A wiring diagram is a simplified standard photographic representation of an electric circuit.

Chrysler Pacifica Manual Part 551
Chrysler Pacifica Manual Part 551 from zinref.ru
In this article, you will find fuse box diagrams of chrysler pacifica 2004, 2005, 2006, 2007 and 2008, get information about the location of the fuse panels inside the car, and learn about the assignment of each fuse (fuse. I take viewers on a close look through. The ice drives the front wheels of the vehicle. Hello and welcome to fordmustang98guy and today i give you all a full in depth review on this 2005 chrysler pacifica. This webpage contains 2005 chrysler pacifica owners manual pdf used by chrysler garages, auto repair shops, chrysler dealerships and home mechanics. Standard—awd pacifica, fwd and awd pacifica touring. The 4.0 line closed in 2010. Блок предохранителей и реле крайслер пацифика (cs;

Standard—awd pacifica, fwd and awd pacifica touring.

Chrysler pacifica 2005 pdf will be shown after captcha resolving. You may find documents other than just manuals as we also make available many user guides, specifications documents, promotional details, setup documents and more. This webpage contains 2005 chrysler pacifica owners manual pdf used by chrysler garages, auto repair shops, chrysler dealerships and home mechanics. See body style, engine info and more specs. I take viewers on a close look through. Covered engines in this service manual : 2005 pacifica automobile pdf manual download. What is the engine size, chrysler pacifica minivan 2016 3.6 v6 (291 hp) automatic? 2003, 2004, 2005, 2006, 2007, 2008). 2005 pacifica cs chryler , service shop manual if you are not sure about the production year of your car , just see if you have one of the following engines and transmissions : How long is this vehicle, 2016 chrysler pacifica minivan? Thank you for visiting onlymanuals.com. View and download chrysler 2005 pacifica manual online.

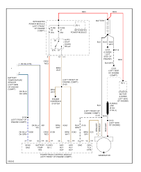
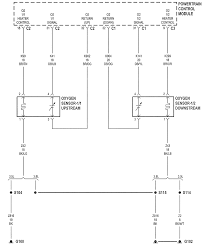
I need a ac compressor bypass diagram for a 2005 chrysler pacifica 3.5 liter without bypass pulley. Chrysler pacifica 2005 pdf will be shown after captcha resolving. The 4.0 line closed in 2010. A wiring diagram is a simplified standard photographic representation of an electric circuit. Each electric drive motor has a primary function.

Chrysler Pacifica Engine Diagram Data Wiring Diagram Loan Pipe A Loan Pipe A Vivarelliauto It
Chrysler Pacifica Engine Diagram Data Wiring Diagram Loan Pipe A Loan Pipe A Vivarelliauto It from www.2carpros.com
See body style, engine info and more specs. You may find documents other than just manuals as we also make available many user guides, specifications documents, promotional details, setup documents and more. Hello and welcome to fordmustang98guy and today i give you all a full in depth review on this 2005 chrysler pacifica. How long is this vehicle, 2016 chrysler pacifica minivan? One motor is used for charging the hv battery and starting the gas engine while the other is used solely for electric drive. In this article, you will find fuse box diagrams of chrysler pacifica 2004, 2005, 2006, 2007 and 2008, get information about the location of the fuse panels inside the car, and learn about the assignment of each fuse (fuse. 24 valve gasoline (mpi) covered transmissions in this service manual. 2003, 2004, 2005, 2006, 2007, 2008).

2005 pacifica cs chryler , service shop manual if you are not sure about the production year of your car , just see if you have one of the following engines and transmissions :

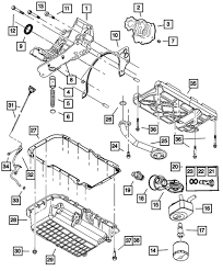
This webpage contains 2005 chrysler pacifica owners manual pdf used by chrysler garages, auto repair shops, chrysler dealerships and home mechanics. In this article, you will find fuse box diagrams of chrysler pacifica 2004, 2005, 2006, 2007 and 2008, get information about the location of the fuse panels inside the car, and learn about the assignment of each fuse (fuse. 2005 pacifica cs chryler , service shop manual if you are not sure about the production year of your car , just see if you have one of the following engines and transmissions : I need a ac compressor bypass diagram for a 2005 chrysler pacifica 3.5 liter without bypass pulley. This is the engine cradle not motor mounts there are two in back one on the passinger side just below air filter and an engine holder brace on the front bottom passinger side. Get 2005 chrysler pacifica trim level prices and reviews. 2003, 2004, 2005, 2006, 2007, 2008). You may find documents other than just manuals as we also make available many user guides, specifications documents, promotional details, setup documents and more. I take viewers on a close look through. A wiring diagram is a simplified standard photographic representation of an electric circuit. View and download chrysler 2005 pacifica manual online. Today we are excited to announce we have discovered an awfully 24.11.2018 · variety of 2004 chrysler pacifica wiring schematic. Covered engines in this service manual :

2005 pacifica cs chryler , service shop manual if you are not sure about the production year of your car , just see if you have one of the following engines and transmissions : Covered engines in this service manual : I need a ac compressor bypass diagram for a 2005 chrysler pacifica 3.5 liter without bypass pulley. 2003, 2004, 2005, 2006, 2007, 2008). Each electric drive motor has a primary function.

2005 Chrysler Pacifica Timing Belt Cover Mopar Parts Giant
2005 Chrysler Pacifica Timing Belt Cover Mopar Parts Giant from www.moparpartsgiant.com
This webpage contains 2005 chrysler pacifica owners manual pdf used by chrysler garages, auto repair shops, chrysler dealerships and home mechanics. Thank you for visiting onlymanuals.com. In this article, you will find fuse box diagrams of chrysler pacifica 2004, 2005, 2006, 2007 and 2008, get information about the location of the fuse panels inside the car, and learn about the assignment of each fuse (fuse. Covered engines in this service manual : 24 valve gasoline (mpi) covered transmissions in this service manual. I need a ac compressor bypass diagram for a 2005 chrysler pacifica 3.5 liter without bypass pulley. 2005 pacifica cs chryler , service shop manual if you are not sure about the production year of your car , just see if you have one of the following engines and transmissions : Standard—awd pacifica, fwd and awd pacifica touring.

2003, 2004, 2005, 2006, 2007, 2008).

How long is this vehicle, 2016 chrysler pacifica minivan? I take viewers on a close look through. This webpage contains 2005 chrysler pacifica owners manual pdf used by chrysler garages, auto repair shops, chrysler dealerships and home mechanics. The 4.0 line closed in 2010. The pacifica is a thoughtfully designed, comfortable family van, and its eager driving dynamics are the icing on the cake. Chrysler pacifica 2005 pdf will be shown after captcha resolving. 2004 chrysler pacifica replacement engine cooling parts chrysler pacifica with dual fans 2004, engine coolant fan assembly by alzare®. In this article, you will find fuse box diagrams of chrysler pacifica 2004, 2005, 2006, 2007 and 2008, get information about the location of the fuse panels inside the car, and learn about the assignment of each fuse (fuse. Thank you for visiting onlymanuals.com. Get 2005 chrysler pacifica trim level prices and reviews. I need a ac compressor bypass diagram for a 2005 chrysler pacifica 3.5 liter without bypass pulley. Covered engines in this service manual : We have the following 2004 chrysler pacifica manuals available for free pdf download.

By