2000 Buick Lesabre Wiring Diagram / Diagram Wiring Diagram 2000 Buick Lesabre Full Version Hd Quality Buick Lesabre Fidaengineering Echapaca Fr - Totally free buick wiring diagrams!. 2000 buick lesabre alarm, remote start, keyless entry wiring home / the12volt's install bay / vehicle wiring / view all buick vehicles / 2000 buick lesabre vehicle search Buick car radio wiring diagrams. The 2000 buick lesabre has 5 nhtsa complaints for the electrical system:wiring at 25,600 miles average. 1998 buick regal 4dr sedan wiring information: Detailed information on circuit paths, splice locations & more.

Wiring diagram site for goods extraordinary 2000 buick lesabre 2001, size: Automotive wiring in a 2000 buick lesabre vehicles are becoming increasing more difficult to identify due to the installation of … 2000 buick lesabre car radio installation. 2000 buick lesabre fuel pump wiring diagram from repairguide.autozone.com to properly read a wiring diagram, one offers to find out how the components inside the system operate. Here is a picture gallery about 2003 buick lesabre wiring diagram complete with the description of the image, please find the image you need. In addition to the north american market itself, buick is represented in the chinese market (most of the models sold there are not connected with the buicks of the american market).

Wiring 2000 Buick Lesabre Windshield Wiper Wiring Diagram Full Quality Setdiagram Bruxelles Enscene Be
Wiring 2000 Buick Lesabre Windshield Wiper Wiring Diagram Full Quality Setdiagram Bruxelles Enscene Be from i1.wp.com
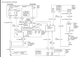
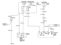
See more on our website: This manual is specific to a 2000 buick lesabre. The engine compartment fuse block is located near the front on the passenger's side of the vehicle. View and download buick 2000 lesabre owner's manual online. This information outlines the wires location, color and polarity to help you identify the proper connection spots in the vehicle. Your source for buick wire information wiring information technical help for your new or used vehicle buick technical wiring diagrams wire information wirediagram. Buick repair manual free download, fault codes, wiring diagrams pdf. Here are a few of the leading illustrations we receive from different resources, we wish these images will serve to you, and ideally really appropriate to what you desire about the 2005 buick lesabre wiring diagram is.

2000 buick lesabre radio wiring harness from repairguide.autozone.com to properly read a cabling diagram, one has to learn how the components in the program operate.

Or just a vacuum leak, period. Wiring diagram site for goods extraordinary 2000 buick lesabre 2001, size: The engine compartment fuse block is located near the front on the passenger's side of the vehicle. 2000 buick lesabre fuel pump wiring diagram from repairguide.autozone.com to properly read a wiring diagram, one offers to find out how the components inside the system operate. 2003 buick regal wiring diagram 2000 buick regal wiring diagram pertaining to 2003 buick lesabre wiring diagram, image size 640 x 350 px, image source : I have a jeep that when it has a vac leak, the climate system defaults to the defrost, no matter what you set it at. 2000 buick lesabre limited with electronic climate control. 1998 buick century 4dr sedan wiring information Fuse box diagram (location and assignment of electrical fuses and relays) for buick lesabre (2000, 2001, 2002, 2003, 2004, 2005). Thank you for choosing wirediagram.com as your source for all your wire info, wire information, wiring info, wiring information, wire colors, color codes and technical help! Could be a vacuum actuator problem. Buick repair manual free download, fault codes, wiring diagrams pdf. Actually, we also have been noticed that 2000 buick lesabre parts diagram is being just about the most popular issue right now.

Here are a few of the leading illustrations we receive from different resources, we wish these images will serve to you, and ideally really appropriate to what you desire about the 2005 buick lesabre wiring diagram is. 800 x 600 px, source: Actually, we also have been noticed that 2000 buick lesabre parts diagram is being just about the most popular issue right now. Acc.) ( a5 + 12.permanente) ( a6 ilum.)a1 gala) ( a2 mute) ( a3 diagnosis) ( a4 +12. Buick is an american automaker, the division of the corporation general motors.

Air Conditioner Wiring Diagram 2000 Buick Lesabre Wiring Diagram Save Wood New Wood New Citisceramiche It
Air Conditioner Wiring Diagram 2000 Buick Lesabre Wiring Diagram Save Wood New Wood New Citisceramiche It from i0.wp.com
It shows the components of the circuit as simplified shapes, and the capacity and signal friends in the midst of the devices. Avenue buick park 1998 4dr sedan wiring information: Tagged 00 buick lesabre firing order , 00 buick lesabre won t start , 00 buick park avenue , 00 buick regal gs supercharged , 00 buick regal specs , 00 buick riviera Whether your an expert buick lesabre car alarm installer, buick lesabre performance fan or a novice buick lesabre enthusiast with a 2000 buick lesabre, a 2000 buick lesabre car alarm wiring diagram can save yourself a lot of time. For example , if a module is powered up and it also sends out the signal of half the voltage in addition to the technician does not know this, he would think he has a. For instance , in case a module is usually powered up and it also sends out the signal of half the voltage plus the technician will not know this, he would think he provides an. 2000 buick lesabre wiring diagram 2000 buick lesabre wiring diagram from www.dewitzdiagnosticsolutions.com print the electrical wiring diagram off plus use highlighters in order to trace the signal. 1998 buick riviera 2dr coupe wiring information:

Buick lesabre delco radio 16201134 wiring connector.

It is very easy to use and support is always free. Read more 2000 buick lesabre auto alarm installation diagram 2000 lesabre automobile pdf manual download. 1998 buick lesabre 4dr sedan wiring information: Acc.) ( a5 + 12.permanente) ( a6 ilum.)a1 gala) ( a2 mute) ( a3 diagnosis) ( a4 +12. Fuse box diagram (location and assignment of electrical fuses and relays) for buick lesabre (2000, 2001, 2002, 2003, 2004, 2005). Actually, we also have been noticed that 2000 buick lesabre parts diagram is being just about the most popular issue right now. Lesabre custom 2000 automobile pdf manual download. See more on our website: Wiring diagram schematics for your buick lesabre get the most accurate wiring diagram schematics in our online service repair manual you can't always trust out of date or expired printed buick lesabre manuals when it comes to wiring diagram schematics. 800 x 600 px, source: So we attempted to locate some great 2000 buick lesabre parts diagram graphic for your needs. Buick lesabre delco radio 16201134 wiring connector.

Whether your an expert buick lesabre mobile electronics installer, buick lesabre fanatic, or a novice buick lesabre enthusiast with a 2000 buick lesabre, a car stereo wiring diagram can save yourself a lot of time. 1998 buick riviera 2dr coupe wiring information: 2000 buick lesabre limited with electronic climate control. This information outlines the wires location, color and polarity to help you identify the proper connection spots in the vehicle. 2000 buick lesabre alarm, remote start, keyless entry wiring home / the12volt's install bay / vehicle wiring / view all buick vehicles / 2000 buick lesabre vehicle search

2000 Buick Wiring Diagram Wiring Diagram Kid Spark B Kid Spark B Atlanticsport It
2000 Buick Wiring Diagram Wiring Diagram Kid Spark B Kid Spark B Atlanticsport It from content.invisioncic.com
2000 buick lesabre radio wiring harness from repairguide.autozone.com to properly read a cabling diagram, one has to learn how the components in the program operate. In addition to the north american market itself, buick is represented in the chinese market (most of the models sold there are not connected with the buicks of the american market). Thanks for visiting our website to search 2000 buick lesabre wiring diagram hopefully we provide this can be useful for you. The engine compartment fuse block is located near the front on the passenger's side of the vehicle. 1998 buick century 4dr sedan wiring information Buick is an american automaker, the division of the corporation general motors. Car radio wire diagram stereo wiring diagram gm radio. It is very easy to use and support is always free.

Www.tehnomagazin.com, and to view image details please click the image.

1998 buick regal 4dr sedan wiring information: Diagram 2001 buick lesabre stereo car radio audio wiring 2003 2000 century harness 1997 park avenue free 94 for picture 2002 regal 1990 airbag 1992 vga alternator fuse box on ignition rendezvous 03 motec 95 eclipse 2004 full 1939 schematic engine 2005 chevy cavalier pontiac grand prix switch lighting I have a jeep that when it has a vac leak, the climate system defaults to the defrost, no matter what you set it at. 2000 buick lesabre wiring diagram 2000 buick lesabre wiring diagram from www.dewitzdiagnosticsolutions.com print the electrical wiring diagram off plus use highlighters in order to trace the signal. Actually, we also have been noticed that 2000 buick lesabre parts diagram is being just about the most popular issue right now. 2000 buick lesabre 4dr sedan wiring information: Wiring diagram schematics for your buick lesabre get the most accurate wiring diagram schematics in our online service repair manual you can't always trust out of date or expired printed buick lesabre manuals when it comes to wiring diagram schematics. 1998 buick lesabre 4dr sedan wiring information: Totally free buick wiring diagrams! Acc.) ( a5 + 12.permanente) ( a6 ilum.)a1 gala) ( a2 mute) ( a3 diagnosis) ( a4 +12. When you employ your finger or even follow the circuit with your eyes, it is easy to mistrace the circuit. Tagged 00 buick lesabre firing order , 00 buick lesabre won t start , 00 buick park avenue , 00 buick regal gs supercharged , 00 buick regal specs , 00 buick riviera 1998 buick riviera 2dr coupe wiring information:

By